www.atmhydros.cz

P-WEV...RK

Připojovací závit:

P-WEV...RK
Whitworthův trubkový závit (kuželový)
ŘadaPNØ*RTypObj. č.DIN 2353kg/100ksL1L2liS1S2
LL1004R 1/8 kegS-WEV 4 LLRK038408GLL 42,117211181110
LL1006R 1/8 kegS-WEV 6 LLRK038410GLL 62,417219,581112
LL1008R 1/8 kegS-WEV 8 LLRK038411GLL 83,4202311,581214
L2506R 1/8 kegP-WEV 6 LRK373195GL 64,020271281214
L2506R 1/4 kegP-WEV 6 L/R 1/4K373196 6,0262914121414
L2508R 1/4 kegP-WEV 8 LRK373197GL 86,6262914121417
L25010R 1/4 kegP-WEV 10 LRK373198GL 108,3273015121719
L25010R 3/8 kegP-WEV 10 L/R 3/8K373199 9,0273015121719
L25012R 1/4 kegP-WEV 12 L/R 1/4K373200 11,4283217121922
L25012R 3/8 kegP-WEV 12 LRK373201GL 1211,8283217121922
L25015R 1/2 kegP-WEV 15 LRK373202GL 1513,03436211419327
L16018R 1/2 kegP-WEV 18 LRK373203GL 1816,6364023,5142432
S630**6R 1/4 kegP-WEV 6 SRK373204GS 67,2263116121417
S630**8R 1/4 kegP-WEV 8 SRK373205GS 88,8273217121719
S630**10R 3/8 kegP-WEV 10 SRK373206GS 1013,4283417,5121922
S630**12R 3/8 kegP-WEV 12 SRK373207GS 1216,5283821,5122224
S630**14R 1/2 kegP-WEV 14 SRK373208GS 1415,3324022141927
S40016R 1/2 kegP-WEV 16 SRK373209GS 1617,9324324,5142430
* vnější Ø trubky
** PN 630 pouze s kuželovou dírou, jinak PN 400 s válcovou dírou

P-WEV...MK

Vnější Ø trubky 4-12mm = profilový materiál

Připojovací závit:

P-WEV...MK
Metrický závit (kuželový)
ŘadaPNØ*MTypObj. č.DIN 2353kg/100ksL1L2liS1S2
LL1004M x1 kegS-WEV4 LLMK038427FLL 42,117211181110
LL1006M x1 kegS-WEV6 LLMK038429FLL 62,417219,581112
LL1008M x1 kegS-WEV8 LLMK038430FLL 83,4202311,581214
L2506M x1 kegP-WEV6 LMK373213FL 64,020271281214
L2508M x1,5 kegP-WEV8 LMK373214FL 86,6262914121417
L25010M x1,5 kegP-WEV10 LMK373215FL 108,3273015121719
L25012M x1,5 kegP-WEV12 LMK373216FL 1211,8283217121922
L25015M x1,5 kegP-WEV15 LMK373217FL 1512,0323621121927
L25018M x1,5 kegP-WEV18 LMK373218FL 1816,6364023,5142432
S630**6M x1,5 kegP-WEV6 SMK373219FS 67,2263116121417
S630**8M x1,5 kegP-WEV8 SMK373220FS 88,8273217121719
S630**10M x1,5 kegP-WEV10 SMK373221FS 1013,4283417,5121922
S630**12M x1,5 kegP-WEV12 SMK373222FS 1216,5283821,5122224
S630**14M x1,5 kegP-WEV14 SMK373223FS 1415,3324022141927
S630**16M x1,5 kegP-WEV16 SMK373224FS 1617,9324324,5142430
* vnější Ø trubky
** PN 630 pouze s kuželovou dírou, jinak PN 400 s válcovou dírou

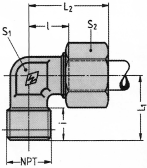
P-WEV...NPT

Vnější Ø trubky 4-12mm = profilový materiál

Kuželová závitová díra NPT (ANSI/ASME B1.20.1-1983)

Připojovací závit:

P-WEV...NPT
NPT (ANSI/ASME B1.20.1-1983)
ŘadaPNØ*RTypObj. č.kg/100ksL1L2liS1S2
LL10041/8 NPTS-WEV4 LL/1/8 NPT0383832,0172111101010
LL10061/8 NPTS-WEV6 LL/1/8 NPT0383852,317219,5101012
LL10081/8 NPTS-WEV8 LL/1/8 NPT0383863,3202311,5101214
L25061/8 NPTP-WEV6 L/1/8 NPT3732284,0202712101214
L25081/4 NPTP-WEV8 L/1/4 NPT3732296,3262914151417
L250101/4 NPTP-WEV10 L/1/4 NPT3732308,2273015151719
L250123/8 NPTP-WEV12 L/3/8 NPT37323111,4283217151922
L250121/2 NPTP-WEV12 L/1/2 NPT37323211,6283217151922
L250151/2 NPTP-WEV15 L/1/2 NPT37323314,0343621141927
L160183/4 NPTP-WEV18 L/3/4 NPT37323416,5364023,5202432
L160221 NPTP-WEV22 L/1 NPT37323523,5424427,5202736
L100281/4 NPTP-WEV28 L/1/4 NPT37323637,5484730,5233641
S63061/4 NPTP-WEV6 S/1/4 NPT3732396,9263116151417
S63083/8 NPTP-WEV8 S/3/8 NPT3732409,5273217151719
S630103/8 NPTP-WEV10 S/3/8 NPT37324113,3283417,5151922
S630121/2 NPTP-WEV12 S/1/2 NPT37324216,8283821,5152224
S630141/2 NPTP-WEV14 S/1/2 NPT37324316,6334022151927
S400161/2 NPTP-WEV16 S/1/2 NPT37324418,4334324,5172430
S400203/4 NPTP-WEV20 S/3/4 NPT37324530,0424826,202736
S400251 NPTP-WEV25 S/1 NPT37324656,5485430233646
* věnší Ø trubky